
- NXP Semiconductors N.V.
- NEXT Mobility
LEDはマンマシンインターフェイスに不可欠なデバイスになっていますが、ユーザビリティの高いLED表示器を構成するためにはさまざまな要素があります。どのくらいの数のLEDを表示させるのか?どの程度の明るさを設定するのか?どのように省電力を実現するのか?配線本数をどのように減らすか?などです。
NXPのLEDドライバーはお客さまのこのような要求を満足させる広いラインナップをもち、世界中のさまざまなアプリケーションに採用されています。
LEDの電気的特性
LEDを光らせる場合の電気的特性を確認します。一般的にLEDのデータシートには次のような記載があります。
| DESCRIPTION | SYMBOL | CONDITION | MIN | TYP | MAX | UNIT |
|---|---|---|---|---|---|---|
| Luminous Intensity | IV | IF=1mA | 1.6 | 4 | 4.3 | mcd |
最も重要な値は明るさ(Luminous Intensity)です。今回の例では4mcdでLEDを光らせたい場合にはどのようにLEDを制御すれば良いか?ということを考えてみます。
定電流電源を使ってLEDを点灯させる
先の例で、1mAの電流を流せば4mcdでLEDは光るとあります。このとき定電流電源(負荷に応じて電流を一定に保つ電源)を用い出力電流を1mAにすれば、4mcdで光らせることができます。
※ 一般的なLEDの電気的特性としてNEXTYで作成
定電圧電源を使ってLEDを点灯させる
一方で定電圧電源を用いてLEDを狙った明るさで光らせるためには電流を合わせる必要があります。合わせるためには抵抗器を直列に入れます。このような抵抗を特に電流制限抵抗と呼びます。今回は1mA流したいのですが、1mAを流した際にLEDに生じる電圧(電圧降下)は先の表より1.8V(Typ)です。5Vの定電圧電源に1.8Vの電圧降下を持つLEDを接続しようとした場合、そのままでは電圧が釣り合いませんので抵抗器を入れて全体で5Vになるようにします。全体で5Vになるようにするためには、残り3.2V必要です。1mAで3.2Vの電圧降下を作るためにはオームの法則より、3.2kohmの抵抗を入れればLEDに1mA流れ、4mcdで発行するようになります。
このように、LED1つを光らせるためにはさまざまな工夫が必要になりますが、LEDドライバーを使用するとこれらの工夫をICに任せることができます。
NXPのLEDドライバー製品
NXPでは次のようなさまざまなLEDドライバーのラインナップを持っています。
- 車載向けLEDドライバー
・ヘッドランプ向けLEDドライバー
・表示器向けLEDドライバー
- 産機向けLEDドライバー
・表示器向けLEDドライバー
今回は特に車載表示機向けLEDドライバーをご紹介します。
NXP車載表示機向けLEDドライバーの特徴
NXPのLEDドライバーは次のような特徴を持ちます。
- 複数のLEDを同時に制御
- LEDの点滅および調光制御
- 精度の高いPWM制御による調光
- カラーミキシング
- Fm+対応I2Cバス対応、SPIバス対応
- LEDの定電圧または定電流制御の実現
- MCUから独立したLED制御
代表的なLEDドライバー製品
より多くのお客さまの要求に合わせるために車載向けのLEDドライバー製品は多種多様な製品を用意していますが、代表的な2品番をご紹介します。
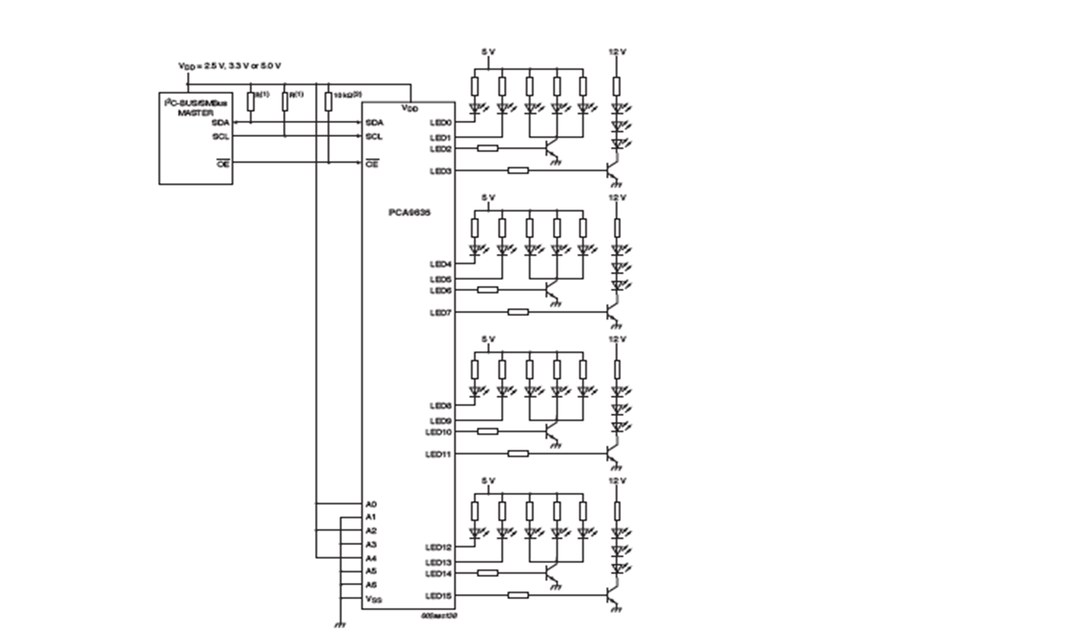
- 16bit定電圧制御LEDドライバー PCA9635PW/Q900
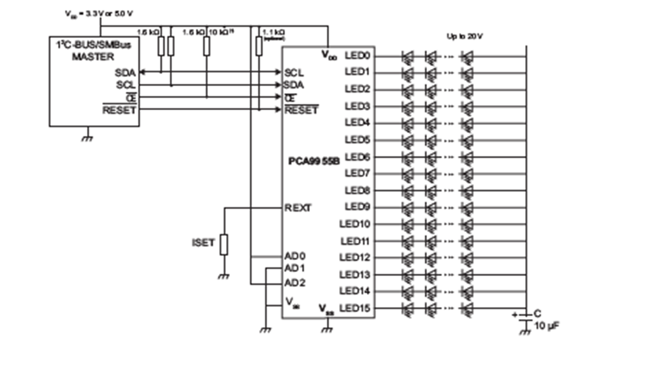
- 16bit定電流制御LEDドライバー PCA9955BTW/Q900
PCA9635PW/Q900は定電圧型の16ビットLEDドライバーです。各端子がオープンドレイン制御になっているため、ICの電源電圧より高い電圧でLEDを制御可能です。MCUからI2C経由で点灯パターンをインテリジェントに制御可能で、システムがスリープモードに入っている際にLEDだけパターン表示するような機能の実装に最適です。
PCA9955BTW/Q900は定電流型の16ビットLEDドライバーです。各端子で定電流制御が行われるため複数直列型のLEDであっても高い精度で調光制御可能です。こちらもMCUからI2C経由で点灯パターンをインテリジェントに制御可能です。
NXPでは車載対応のLEDドライバーICとして、他にも以下のような製品を揃えています。
- PCA9955B 定電流16bit I²C (電流256段階,PWM256段階制御)
- PCA9958 定電流24bit SPI (電流256段階,PWM256段階制御)
- PCA9635 定電圧16bit I²C (PWM256段階制御)
- PCA9685 定電圧16bit I²C (PWM4096段階制御)
まとめ
ご紹介以外にも、より適切なLEDドライバー製品をご紹介できます。製品にご興味がありましたらネクスティ エレクトロニクスまでお問い合わせください。
関連情報
LEDドライバー関連リンク: [セレクションガイド]LED Drivers Selector Guide
NXPでは多種多様なLEDドライバー製品をご紹介できます。こちらのセレクションガイドもご覧ください。
お問い合わせ
関連製品情報

NXPの信号改善機能(SIC)を搭載したCANトランシーバー製品の解説
NXPのSIC搭載CANトランシーバーは送信側でリンギングを能動的に抑え、CANFDの高速通信を安定化し、ソフト互換やピン互換で既存設計に置換可能、車載規格に準拠します。
- NXP Semiconductors N.V.
- NEXT Mobility

NXPの車載向けPMICの魅力を徹底解説 (Page 2/2) | NXPの車載PMICポートフォリオと代表製品の特徴を解説
車載ECUにおけるPMICの必要性とNXPの車載向けPMICの特徴、魅力、ポートフォリオについて、解説します。今回は車載PMICポートフォリオと代表製品の特徴です。
- NXP Semiconductors N.V.
- NEXT Mobility

NXPの車載向けPMICの魅力を徹底解説 (Page 1/2) PMICの基礎、NXPの車載PMICの特徴
車載ECUにおけるPMICの必要性とNXPの車載向けPMICの特徴、魅力、ポートフォリオについて、解説します。今回は、 PMICの基礎、NXPの車載PMICの特徴です。
- NXP Semiconductors N.V.
- NEXT Mobility

NXPの車載マイコンS32K1の魅力を徹底解説
NXPの車載マイコンS32K1シリーズは、ARM Cortex-M0+およびM4Fコアを搭載し、高い処理能力と低消費電力を実現します。その魅力と特徴を徹底解説します。
- NXP Semiconductors N.V.
- NEXT Mobility

NXPの車載汎用マイコン製品の紹介
NXPの車載汎用マイコンは、S32K1、S12 MagniV、S32K3ファミリーをラインナップし、高性能、セキュリティ、コスト効率を兼ね備え自動車技術の進化を支えます。
- NXP Semiconductors N.V.
- NEXT Mobility

ネクスティ エレクトロニクス制作 NXP車載マイコンS32K311評価ボード
S32K311は、小パッケージで高性能、最新機能を安価に利用できるNXPの最新車載マイコンです。特徴と、当社制作のS32K評価ボードを紹介します。
- NXP Semiconductors N.V.
- NEXT Mobility
関連技術コラム

オシロ不要!ARM-Cortex M DWT CYCCNTで始める高精度時間測定 ─ 最小ステップで使える実践ガイド
DWT CYCCNTを使い、外部機材不要でARM Cortex‑M上の高精度な時間測定手順と実践ポイントをわかりやすく解説します。

bitbakeが生成するディレクトリを徹底解説|Yocto開発のトラブルシュートに必須
bitbakeのtmp以下(work、work-shared、deploy等)の構成と用途、ログ確認やdeb配信によるYoctoトラブルシュート手順を解説します。

Azure RTOS ThreadX 実践ガイド:タスク管理と通信機能の実践解説
Azure RTOS(ThreadX)でのマルチタスク設計とメッセージキューなど通信機能を解説します。

Azure RTOSの第一歩:AzureRTOSを使用した「Hello World」プロジェクト作成
Azure RTOS(ThreadX)をi.MX RT1170評価ボードで使い、Hello Worldの作成とビルドやデバッグ手順を解説します。

i.MXの開発環境を構築してみた (Yocto編) | 技術コラム
NXPのi.MXシリーズを用いたYocto開発環境の構築方法解説。ハードウェア、事前準備、ビルド手順を紹介、i.MX評価ボードのイメージ書き込み準備をサポートします。

i.MXの開発環境を構築してみた(uuu編) | 技術コラム
i.MXの開発環境構築手順を解説します。今回は、bitbakeによって生成したファイルをi.MX評価ボードに書き込んで簡単な機能確認できるまでを紹介します。

