
- Vishay Intertechnology, Inc.
- NEXT Mobility
- ICT・インダストリアル
- スマートファクトリー・ロボティクス
EV、スマートメーター、産業用制御機器など、電子機器の高密度化が進む中で、限られたスペースに高い信頼性と安全性を両立する部品が求められています。特に、電源ラインと筐体(シャーシ)間の絶縁やノイズ除去を担う X1/Y1 クラスのセラミックコンデンサーは、EMI(電磁妨害)対策と感電防止の両面で重要な役割を果たします。
こうしたニーズに応えるべく、Vishay は 表面実装(SMD)に対応した Y1 セラミックディスクコンデンサー「SMDY1シリーズ」 を開発しました。 ※産業機器向けとしては業界初ではありませんが、今年量産予定の車載向け SMDY1 Auto は業界初となります。
本記事では、SMDY1シリーズの技術的な特長と、車載・産業・エネルギー分野における応用例を通じて、その優位性と選定ポイントを解説します。
技術解説|X1・Y1コンデンサーの違いと役割
X1およびY1コンデンサーは、EMIフィルタリングと安全対策を目的とした「セーフティコンデンサー」と呼ばれるカテゴリに属し、国際規格IEC 60384-14に準拠しています。これらは、AC電源ラインに混入するノイズやサージ(雷などによる過電圧)を吸収・バイパスし、機器の誤動作や感電リスクを防ぐために使用されます。
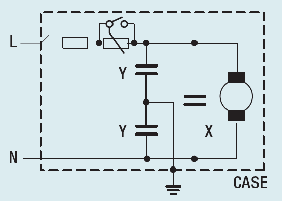
X1コンデンサーとは?
X1コンデンサーは、AC電源のライン(L)とニュートラル(N)の間に接続され、差動モードノイズの除去に使用されます。定格電圧は250~760 VAC程度で、サージ耐性は2.5~4 kV。感電リスクは比較的低いものの、火災防止のため自己消火性が求められます。
Y1コンデンサーとは?
Y1コンデンサーは、ラインまたはニュートラルとアース(GND)の間に接続され、共通モードノイズの除去と絶縁保護を担います。定格電圧は250~500 VAC、サージ耐性は5~8 kVと高く、感電リスクがあるため非常に高い絶縁性能と信頼性が求められます。
Y1コンデンサーは、電子レンジやテレビ、EVのオンボードチャージャーなど、アース接続が必要な機器で、漏れ電流を最小限に抑えつつノイズを逃がす役割を果たします。
X1,Y1コンデンサーの回路配置例
製品概要|SMDY1シリーズの特長
VishayのSMDY1シリーズは、X1定格:760 VAC Y1定格:500 VAC / 1500 VDC に対応したセラミックディスク型のEMI抑制用安全コンデンサーです。最大4700 pFの静電容量に対応し、従来のリード型コンデンサーと比べて基板実装面積を削減しながら、高い絶縁性能と信頼性を維持します。
| 項目 | 内容 |
|---|---|
| 定格電圧 | X1:760 VAC Y1:500 VAC/1500VDC |
| 静電容量範囲 | 470 pF ~ 4700 pF(±20%) |
| 動作温度範囲 | -55 ℃ ~ +125 ℃ |
| 絶縁抵抗 | ≧10 GΩ |
| 湿度耐性 | 85 ℃ / 85 % RH / 1000 時間(クラスIIB) |
| 実装方式 | 表面実装(リフロー対応) |
SMDY1シリーズは、Cケース(10 mmクリープ距離)とDケース(14.5 mmクリープ距離)の2サイズを展開し、用途に応じた柔軟な選定が可能です。
-
Cケース
W 8.6×L 14.80×T 4.0㎜ -
Dケース
W 14.6×L 19.2×T 4.0㎜
応用回路例|SMDY1が活躍するシーン
SMDY1シリーズは、以下のような高信頼性が求められるアプリケーションで活躍します。
1. ACラインフィルタ(EMIフィルタ)
構成:X1(L-N間)+Y1(L-GND、N-GND間)
用途:ACアダプタ、スイッチング電源、家電製品
特長:差動モード/共通モードノイズを同時に除去し、安定した電源供給を実現
2. 車載用オンボードチャージャー(OBC)
※車載用途向けには SMDY1 Auto を近日リリース予定です。
構成:AC入力部にY1を配置し、筐体アースとの絶縁を確保
用途:EV / HEV / PHEVのOBC、eコンプレッサー、車載AC/DCコンバータ
特長:AEC-Q200準拠、85/85/1000h対応で車載環境に最適
3. ソーラーインバータ
構成:AC出力部にX1/Y1を配置
用途:太陽光発電システムのパワコン、ハイブリッドインバータ
特長:高耐圧・高湿度耐性で屋外設置にも対応
4. LED照明ドライバー
構成:入力フィルタ部にX1/Y1を組み合わせて配置
用途:屋外LED照明、スマート照明、商業施設の照明制御
特長:SMD実装で省スペース、薄型筐体にも対応
5. スマートメーター・IoT機器
構成:AC電源入力部にY1を配置し、筐体アースとの絶縁を確保
用途:スマート電力量計、IoT制御機器、ビルオートメーション
特長:小型・高信頼性でスマート機器に最適
6. 産業用制御装置・SMPS
構成:X1/Y1を組み合わせたノイズフィルタ回路
用途:PLC、産業用AC/DC電源、モータードライバー
特長:高温・高湿度環境でも安定動作、EMC対策に有効
製品ラインナップ|選定の目安
| 静電容量 (pF) | サイズコード | パートナンバー(一般) | パートナンバー(車載) |
|---|---|---|---|
| 470 | C | SMDY1471MY5UC# | SMDY1471MY5UC#A |
| 1000 | C | SMDY1102MY5UC# | SMDY1102MY5UC#A |
| 2200 | D | SMDY1222MY5UD# | SMDY1222MY5UD#A |
| 4700 | D | SMDY1472MY5UD# | SMDY1472MY5UD#A |
- 「#」はパッケージングコード(B:バルク、R:リール)を示します。
まとめ
Vishay の SMDY1 シリーズは、SMD 対応 Y1 セラミックディスクコンデンサーとして、EMI 対策と絶縁安全性を高次元で両立する革新的な製品です。 ※産業機器向けとしては業界初ではありませんが、車載向け SMDY1 Auto は業界初の製品となります。
X1:760VAC及びY1:500VAC/1500VDC定格に対応し、最大 4700 pF の高容量、優れた湿度耐性(85℃ / 85% RH / 1000 時間)、AEC-Q200 準拠の車載対応モデルなど、過酷な環境下でも安定した性能を発揮します。
表面実装による省スペース化と自動実装対応により、EV、スマートメーター、産業機器、照明、再生可能エネルギー分野など、幅広いアプリケーションでの実装性と信頼性を大きく向上させます。
高密度実装と高信頼性が求められる現代の電子機器設計において、SMDY1 シリーズは “安全性” と “実装性” を両立する理想的な選択肢です。次世代の EMI 対策部品として、ぜひ導入をご検討ください。
お問い合わせ
関連製品情報

Vishay IHLE® 電界シールド付きパワーインダクタの実力とは? EMI対策と省スペース設計を両立する次世代ソリューション
IHLEは電界シールドを一体化した次世代インダクタで、外付けシールドなしでEMIを大幅低減し、車載・産業向け設計の自由度と効率を高める技術です。
- Vishay Intertechnology, Inc.
- NEXT Mobility
- ICT・インダストリアル
- スマートファクトリー・ロボティクス

RCEC2000厚膜パワー抵抗器の技術解説 高耐圧・低インダクタンス・水冷対応で広がる設計自由度 (2026年Q3以降発売予定・先行情報)
高耐圧・低インダクタンス・高放熱を両立したRCEC2000の特長と設計メリットを先行解説します。
- Vishay Intertechnology, Inc.
- NEXT Mobility
- ICT・インダストリアル
- スマートファクトリー・ロボティクス

絶縁型サーマルジャンパThermaWick®+Vishay
絶縁と高熱伝導を両立したサーマルジャンパで、電気を通さず熱のみを逃がし、車載や産業機器の局所放熱に有効な次世代放熱部品です。
- Vishay Intertechnology, Inc.
- ICT・インダストリアル
- スマートファクトリー・ロボティクス

PowerPAIR® が実現する高効率・高電力密度のMOSFETパワーステージ─次世代DC/DCコンバータ設計を加速する統合型ソリューション ―
当製品はハイサイドとローサイドのMOS型トランジスタを一体化したハーフブリッジで、寄生インダクタ低減により高効率化と高電力密度化、車載対応の高信頼性を実現します。
- Vishay Intertechnology, Inc.
- NEXT Mobility
- ICT・インダストリアル
- スマートファクトリー・ロボティクス

高効率・高周波化時代の電力変換を支える Vishay FRED Pt® GEN7:45nsの超高速trrと低Qrrで実現する高信頼整流器
Vishay FRED Pt GEN7は低Qrr・低VF・超高速trrで車載PFCやインバータ等の高周波電源に適するAEC‑Q101対応ダイオードです。
- Vishay Intertechnology, Inc.
- NEXT Mobility
- ICT・インダストリアル
- スマートファクトリー・ロボティクス

大電流で充放電しても特性劣化しないEDLC(電気二重層コンデンサー)
パワー回路のさまざまな部品を展開するVishayは多種多様なコンデンサーをラインナップしています。EDLC(電気二重層コンデンサー)をご紹介します。
- Vishay Intertechnology, Inc.
- NEXT Mobility
- ICT・インダストリアル
- スマートファクトリー・ロボティクス

