48V化の背景
近年の車両電動化に伴い、従来の12V電源に代わり48V電源を活用したアプリケーションが増加しています。代表例として、スターター・ジェネレーター、電動ターボチャージャー、電動パワーステアリング、電動アクティブサスペンション、電動ブレーキ、電動コンプレッサーなどが挙げられます。これらは高出力・高効率が求められるため、48V化が適しています。今後、燃費規制や快適性向上、またコストや安全性の面で数100Vの高電圧よりも優れているため、48V系ECUの需要はさらに拡大すると予想されます。一方で、既存の12V電源も照明や比較的小型のアプリケーションなどで引き続き使用され、車両全体の適正化を考えると12Vと48V両電圧系の併用が一般的になると考えられます。
48Vシステムのメリット
・電力供給能力の向上
従来の12Vに比べて、同じ電流で約4倍の電力を供給できるため、電動ポンプや電動ステアリングなどの比較的大きな電力のアプリケーションへの適用が期待されます。
・電流低減による配線の軽量化
高電圧化により必要な電流が減少する事で配線を細くでき、重量が軽減されるため、燃費や車両性能の向上につながります。
・燃費改善とCO2削減
48Vマイルドハイブリッドでは、二次電池を用いた回生ブレーキやエンジンアシストが可能となり、燃費向上と排出ガスの低減が期待されます。
・安全性とコストのバランス
EV、HEVなどの数100Vの高電圧を使用する車両に比べると燃費向上効果は劣りますが、48Vシステムは安全性が高く、また高価な絶縁対策が不要なためコスト面でも有利です。
・柔軟なシステム設計
電源ICを使用すれば48V⇔12V変換が可能なため、12V系との共存が可能で既存の車両設計に段階的に導入できます。
48Vアプリケーションを設計する際のポイント
・部品の定格電圧の見直し
制御ICをはじめ、MOSFETやコンデンサー、コネクターなどの高耐圧化が求められます。12V用部品をそのまま48Vで使用すると耐圧オーバーによる破損や、動作電圧範囲を逸脱する事による誤動作のリスクがあるため、例えば80V耐圧や100V耐圧などの48V対応品への置き換えが必要になります。
・電力損失と熱設計の強化
48Vでは電流が減る一方、スイッチング損失やEMIが増加する可能性があります。熱設計やノイズ対策を見直す必要があります。
・安全規格と保護回路の強化
48Vは人体に対して危険性が高まるため、過電圧保護、過電流保護、逆接保護などの安全設計が重要です。
ISO26262などの機能安全規格への対応も求められる場合があります。
ADIソケット紹介
48Vアプリケーションに最適なAnalog Devices (ADI)製品を紹介します。ADIではアナログ製品を中心に48V対応のさまざまな製品をリリースしていますが、ここでは主に車載対応の電源関連製品を紹介します。
図1 概略図(48V双方向と12V-2系統の例)
図2 概略図(48V-12V双方向電圧変換の例)
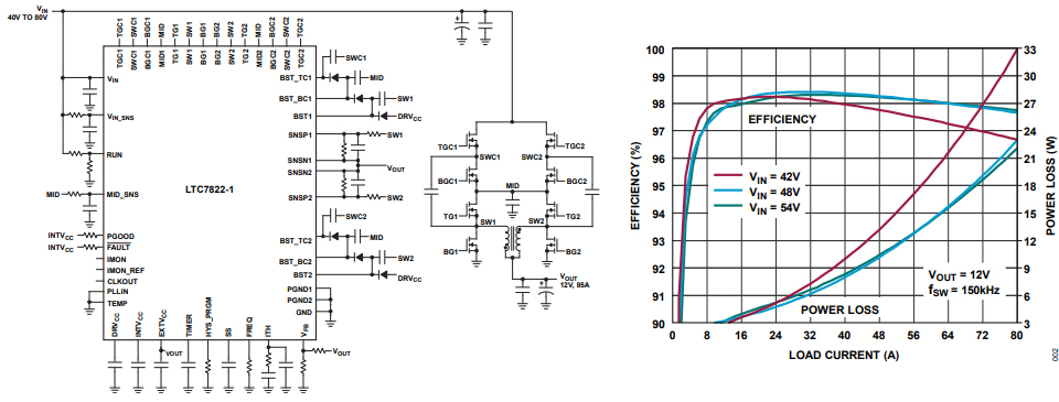
LTC7822-1 負荷電流モニター付き2相ハイブリッド同期整流式降圧コントローラー
LTC7822-1は、48Vから12Vへの高効率降圧を実現する車載向けハイブリッド・ステップダウン同期整流式コントローラーです。ADI独自のハイブリッド方式を採用しており、ソフトスイッチング・チャージポンプで一度48Vから24Vに降圧した後、2相インターリーブ方式の同期整流降圧コンバーターで24Vから12Vへ変換します。広い入力電圧範囲(19V〜90V)に対応し、最大98.4%の効率と低EMI性能を両立しており、1kW出力でも97.7%の高効率を維持します。電流モニター機能や周波数同期、並列動作も可能で、高電力・高密度設計に最適。データセンターや車載用途において、電力損失の低減と小型化に貢献します。
LTC7822-1を搭載した評価ボードEVAL-LTC7822-1-AZは入力電圧範囲は36V〜60V、出力は12Vで、約1kWの出力を実現します。48Vから12Vへの変換に最適で、電源を投入すればすぐに使用可能。導入の初期検討や設計段階での特性確認など工数短縮にも貢献します。
※詳細データシートの入手にはNDA(秘密保持契約)が必要です
図3 LTC7822-1 Typical Application Circuitと効率カーブ
図4 LTC7822-1評価ボード(EVAL-LTC7822-1-AZ)
MAX20059 72V/1A、車載同期整流ステップダウンDC-DCコンバーター
MAX20059は、4.5V〜72Vの広い入力電圧範囲に対応した車載向け同期整流ステップダウンDC-DCコンバーターです。MOSFETを内蔵し、最大1Aの出力電流を供給可能。出力電圧は0.8V〜(VINの90%)まで外付けFeedback抵抗で柔軟に設定でき、PWMまたはPFM制御に対応しています。周波数は200kHz〜2200kHzで外部同期も可能。AEC-Q100認定で-40〜125℃の動作温度範囲により、48Vシステムやマイルドハイブリッド車などの車載用途に最適です。内部補償により設計が容易で、ソフトスタート・カレントリミット・UVLO・サーマルシャットダウンなどの保護機能も充実しています。
※図5は16V出力時の参考回路になります
図5 MAX20059 Typical Application Circuit
LTC7001 高速150VハイサイドNMOS静的スイッチ・ドライバー
LTC7001は、最大135Vの入力電圧(絶対最大定格150V)に対応する高速ハイサイドNチャネルMOSFETゲートドライバーです。内蔵チャージポンプにより、外部MOSFETを完全にオン状態に維持でき、100%デューティサイクル動作が可能なため電源ラインのMOSFETを駆動する用途でも使用できます。入出力間の伝搬遅延は35ns(Typ値、CL=1nF)で高速応答を実現し、内蔵のドライバは1Ωのプルダウンと2.2Ωのプルアップで大容量ゲートの駆動にも適しています。プルアップピンとプルダウンピンは独立なため、外付け抵抗により立上り・立下りのスルーレートが調整可能です。過電圧・低電圧ロックアウト機能を備え、車載用途にも対応するAEC-Q100認証取得済みで、静的スイッチおよび高周波スイッチング用途に最適です。
図6 LTC7001 Typical Application Circuit
AD8410A -2V~70Vの入力電圧範囲、2.2MHz帯域幅、PWM除去を備えた電流検出アンプ
AD8410Aは、入力コモンモード電圧範囲−2V~70V(耐圧は-20~85V)、ゲイン20V/V、帯域幅2.2MHzの車載対応高精度電流センスアンプです。DigiTrim™技術によりオフセットドリフトは±0.21µV/℃、ゲイン誤差は±0.13%と非常に低く、CMRRは142dB(代表値)で高精度です。48Vシステムやハイサイド電流検出に対応し、モーター制御やDC-DCコンバーターなど高電圧環境でも双方向電流測定が可能で、PWMスイッチング環境でも精度を保持します。
DigiTrim™テクノロジーは、ADI社が開発した特許技術で、CMOSアンプのオフセット電圧を高精度に補正するデジタルトリミング手法です。従来のレーザートリムやEEPROM方式と異なり、既存のアナログピンを使って特殊なデジタルキーワードで調整値を入力し、デジタル制御された電流源で性能を最適化します。調整後はポリシリコンヒューズを物理的に切断して固定し、再トリムを防止。追加パッドや特別な装置は不要で、パッケージ後にトリム可能なため組立による誤差も排除できます。プロセス変更不要で、回路縮小に応じてトリム回路も縮小し、コストを抑えつつ高精度を実現します。競合比で最大30%のコスト低減が可能で、量産向け低価格CMOSアンプに高精度を提供する革新的技術です。
図7 AD8410A Typical Application Circuit
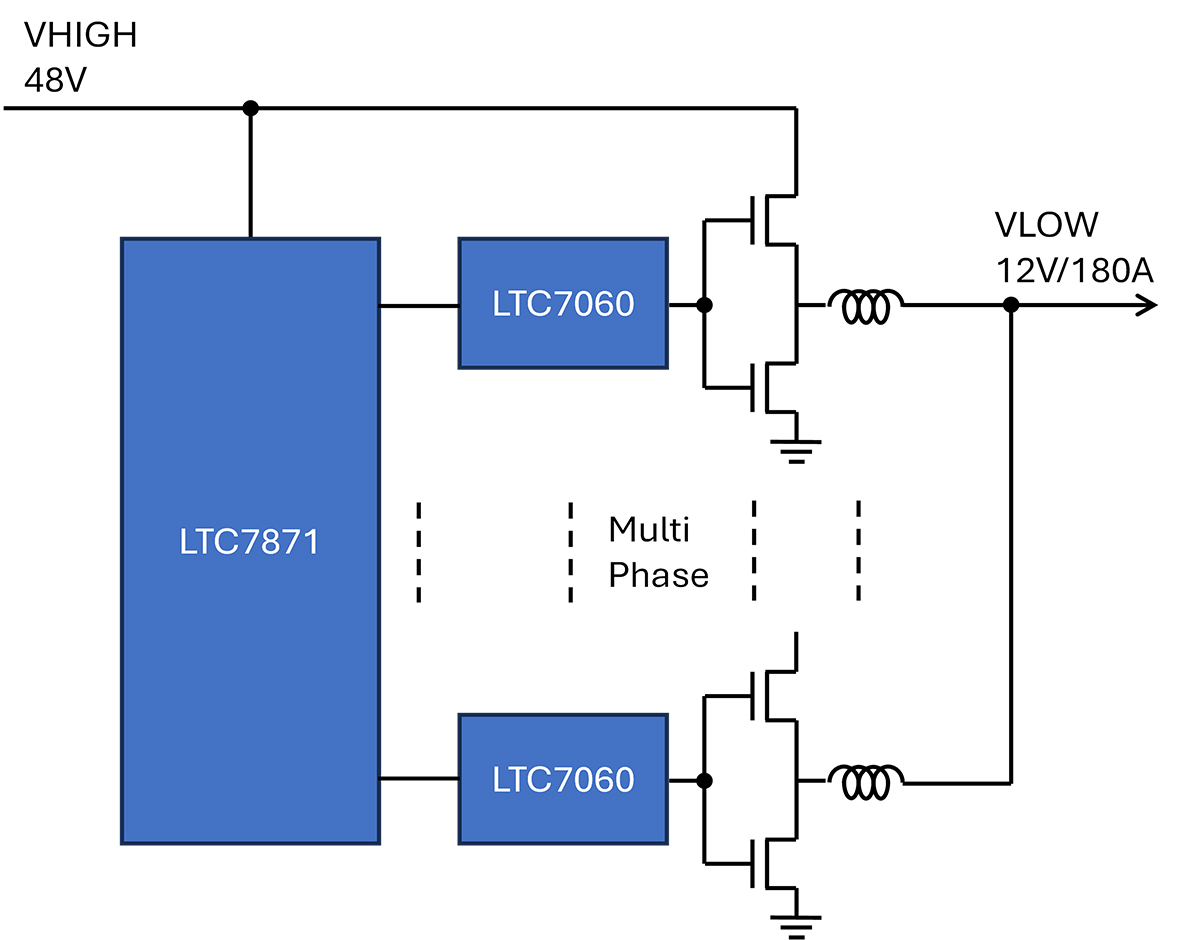
LTC7871 6相同期型双方向降圧・昇圧コントローラ
LTC7871は、車載48V/12Vデュアルバッテリーシステム向けに設計された高性能な双方向同期降圧・昇圧コントローラーです。本製品は、6フェーズ構成により最大24フェーズまで拡張可能で、外部MOSFETとゲートドライバーを用いて最大100Vの入力電圧と60Vの出力電圧に対応します。独自の固定周波数電流モード制御により、±1%の電圧精度と優れたノイズ耐性を実現します。また、SPI準拠のシリアルインターフェイスを備え、動作状態やフォルト情報の取得、プログラマブルな入出力電圧のマージニング制御が可能です。
車載48V対応としては、LTC7871は48Vから12Vへの降圧、または12Vから48Vへの昇圧を制御信号に応じて切り替え可能で、双方向の電力供給を実現します。これにより、エンジン始動や電動アクチュエータなど高負荷機器への安定供給が可能となり、48V電源設計に柔軟に対応します。
LTC7871のメリットは、高効率(最大98%)の同期整流、正確なインダクタ電流モニタリング、過電流保護、OV/UV監視機能などを備え、信頼性と安全性を両立している点です。車載用途における品質要件にも対応。これにより、EVやハイブリッド車、産業用電源システムにおいて、効率的かつ安全な電力変換を実現します。
LTC7060 6相同期型双方向降圧・昇圧コントローラー
LTC7060は、最大100Vの電源電圧に対応した高性能ハーフブリッジゲートドライバーで、車載および産業用電源システムに最適な製品です。本ICは、2つのNチャンネルMOSFETを駆動するための対称型フローティングゲートドライバー構造を採用しており、ハイサイドとローサイドの両方のドライバが、別々のグラウン ド・リファレンスを使用してMOSFETを駆動できるため、優 れたノイズ耐性と過渡耐圧を実現します。
LTC7060は、0.8Ωのプルダウンと1.5Ωのプルアップによる強力なゲート駆動能力を持ち、ゲート容量の大きな高耐圧MOSFETにも対応可能です。さらに、アダプティブシュートスルー保護、プログラム可能なデッドタイム、スリーステートPWM入力、VCCのUVLO/OVLOとフローティング電源のUVLO機能など、安全性と制御性を高める機能が多数搭載されています。
車載48V電源対応としては、LTC7060とLTC7871を組み合わせた評価ボード(DC2886A)により、48Vから14Vへの降圧、または14Vから48Vへの昇圧を双方向で制御可能です。降圧時は最大2.5kWの出力に対応し、EVやハイブリッド車の高電力アプリケーションに適しています。
LTC7060のメリットは、AEC-Q100認定による車載信頼性、高効率な電力変換、設計の柔軟性です。これにより、48V電源ネットワークの設計において、安全性・効率性・拡張性を兼ね備えた理想的なソリューションを提供します。
図8 LTC7871/LTC7060 Typical Application Circuit
図9 LTC7871/LTC7060を組み合わせた評価ボード(DC2886A)
お問い合わせ
関連技術コラム
関連製品情報

ADuM36xx:3.0kV rms 6チャンネル・デジタル・アイソレータ
ADuM36xxは3.0kV rmsの絶縁耐圧を持つ6チャンネル高速デジタルアイソレータで、高CMR、低遅延、産業規格対応の堅牢な絶縁ソリューションです。
- Analog Devices, Inc.
- NEXT Mobility
- ICT・インダストリアル
- スマートファクトリー・ロボティクス

高効率かつ小型。入力電圧3V~36V、出力電流2.5A/3.5A MOSFET内蔵、同期整流式降圧DC/DCコンバーター
降圧DC/DCコンバーターMAX20402/MAX20403は小型、低ノイズ、高効率を実現します。
- Analog Devices, Inc.
- NEXT Mobility
- ICT・インダストリアル

車載アラウンドビューシステムに搭載される各カメラ故障検知時の課題解決
複数カメラシステムにおける、カメラ単体故障が他の正常なカメラにも影響を及ぼす課題を解決するソリューションとしてMAX20086/7/8/9を紹介します。
- Analog Devices, Inc.
- NEXT Mobility
- ICT・インダストリアル
- スマートファクトリー・ロボティクス

MAX17639:3V~36V、6A/8A/10A、12Aピークの高効率同期整流式降圧DC/DCコンバーター
MAX1763xは3V~36V入力で最大10A(ピーク12A)出力の高効率降圧DC/DCで、内蔵MOSFETや温度モニタ、外部クロック同期を備えています。
- Analog Devices, Inc.
- ICT・インダストリアル
- スマートファクトリー・ロボティクス

カメラを用いた非接触のバイタルセンシング (アナログ・デバイセズ製品ユースケース)
カメラを用いた非接触のバイタルセンシングを低コストで導入できます。独自のアルゴリズムを用いて解析することで、ストレス、感情も推定できます。
- Analog Devices, Inc.
- NEXT Mobility

ステッピングモータ向けモーションコントローラー、モータドライバー
業界最先端のモーションコントロール製品は、エネルギー効率向上、脱調防止、モーター音や振動を低減する機能を実現し、高度な制御を求められる分野に最適です。
- Analog Devices, Inc.
- NEXT Mobility
- ICT・インダストリアル





